Märkus: seda toodet enam ei toodeta. Uue toote leiate siit: 1186076 / U-klamber, H-jalaga, 1-ne, metallist surveplaadiga, FT

U-klamber, 1-ne, metallist surveplaadiga FT

Artikli nr. 1156136 | EAN 4012195063377

5 Nm
Toote kirjeldus
Toote kirjeldus
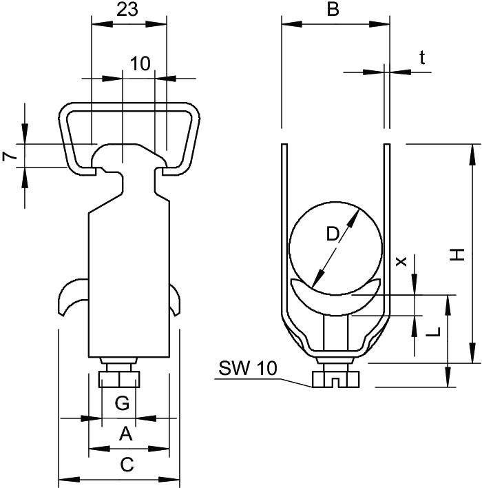
Sobib kõikidele 16–17 mm laiuse avaga C-profiillattidele.
Kastmismeetodial kuumtsingitud terasest klamber, polt ja surveplaat.
Tellimisel keevitatavate ja/või lukustusmutritega variant raskendatud oludes kasutamiseks ja raputuskindluse tagamiseks!
  • Communautés Européennes, EÜ vastavusdeklaratsioon vastavalt EÜ direktiividele
  • U-klamber C-profiillattidele avalaiusega 16–17 mm
  • Ava laius 16–17 mm
  • Toime tagamise klass E30
  • Toime tagamise klass E90
  • CO₂ jalajälg (PCF)
Tehnilised andmed

Tehnilised andmed

1 kaablile H 114 mm
1 kaablile L 56
CO2 jalajälg (GWP) hällist väravani 0,3421 kg CO₂e / 1 Tükk
halogeenita ei
Kaablite/torude arv 1
Koormusvahemiku D max 76 mm
Koormusvahemiku D min 70 mm
Lattidele prao max laiusega (intervalliga) 17 mm
Lattidele prao min laiusega (intervalliga) 16 mm
Lisa materjal Teras
Lisa pealispind kuumtsingitud kastmismeetodil
Löögikindel ei
Materjal Teras
Max Kinnituse pöördemoment 5 Nm
Metallvanniga jah
Mõõde 70-76mm
Mõõt A 25 mm
Mõõt B 82 mm
Mõõt C 40 mm
Mõõt G (mm) M8
Mõõt H 114 mm
Mõõt L 56 mm
Mõõt t 2,5 mm
Mõõt x 5 mm
Paigaldusviis Profiillatt
Pinnakate Kuumtsingitud kastmismeetodil
plaadi materjal Teras
Plastvanniga ei
Vastasplaadiga ei
Kõik tüübid

Kõik tüübid

Tüüp Koormusvahemiku D min Koormusvahemiku D max Max Kinnituse pöördemoment Artikli nr. Kogus kl. VKE
2056 M 64 FT 58 mm 64 mm 5 Nm 1156101
100 Tükki
2056 M 76 FT 70 mm 76 mm 5 Nm 1156136
25 Tükki
2056 M 90 FT 82 mm 90 mm 5 Nm 1156152
25 Tükki
Allalaadimised

Laadi alla

Laadi alla
Laadi alla

EÜ vastavusdeklaratsioon 2056 M 76 FT / 1156136 , 0.13MB , pdf
Laadi alla

2056 M 76 FT / 1156136
Laadi alla