Kaabliredel LG 110, 6 m VS FS

Artikli nr. 6216454 | EAN 4012195065340

6000 mm
1,5 mm
ei
Teras
kuumtsingitud lintmeetodil
Toote kirjeldus
Toote kirjeldus
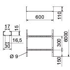
Perforeeritud küljetalaga kaabliredel küljekõrgusega 110 mm koos sisseneeditud, ülevalt lahtiste C-profiili pulkadega.
Magnetiline varjestussummutus ilma kaaneta 10 dB, kaanega 15 dB.

Kaabliredel tarnitakse kokkulapituna.

Sobiva 2056 tüüpi U-klambri leiate vertikaalredelisüsteemide jaotisest.

  • Magnetiline varjestussummutus
  • Communautés Européennes, EÜ vastavusdeklaratsioon vastavalt EÜ direktiividele
  • UKCA vastavusdeklaratsioon
  • Kaabliredel, küljekõrgus 110 mm
  • Toote keskkonnadeklaratsioon (EPD)
  • CO₂ jalajälg (PCF)
Tehnilised andmed

CO2 jalajälg (Product Carbon Footprint)

CO2 jalajälg (GWP) hällist väravani 11,2828 kg CO2e / 1 Meeter
Haruprao suurus 16,50
Kasulik ristlõige 56800 mm²
Kasulik ristlõige 568 cm²
Kõrgus 110 mm
Külgprofiili teostus lame profiil
Külje perforatsioon jah
Laius 600 mm
Materjal Teras
Mõõde 110x600x6000
Mõõt B 600 mm
Mõõtmed 110x600x6000
Pika sildega teostus ei
Pikkus 6000 mm
Pinnakate kuumtsingitud lintmeetodil
Pulga kinnitus pimeneeditud
Pulkade teostus Perforeeritud profiil
Pulkade vahekaugus 300 mm
Roostevaba teras, peitsitud ei
Tala paksus 1,5 mm
Toimetagamine ei
Tugedevaheline kaugus 2,0 m 3,1 kN/m
Tugedevaheline kaugus 2,5 m 2 kN/m
Tugedevaheline kaugus 3,0 m 1,4 kN/m
Tugedevaheline kaugus 3,5 m 0,9 kN/m
Tugedevaheline kaugus 4,0m 0,65 kN/m
Tugedevaheline kaugus 4,5 m 0,55 kN/m
Tugedevaheline kaugus 5,0 m 0,5 kN/m
Tugedevaheline kaugus 6,0 m 0,15 kN/m
Värv tsink

Tehnilised andmed

Kaabliredeli (tüüp LG 110 VS) koormusdiagramm

Kaabliredeli (tüüp LG 110 VS) koormusdiagramm
  • Lubatav kaablirenni/-redeli koormus (kN/m) ilma inimkoormuseta Lubatav kaablirenni/-redeli koormus (kN/m) ilma inimkoormuseta
  • Tugilaius m Tugilaius m
  • Tala läbipaine mm lubatava kN/m juures Tala läbipaine mm lubatava kN/m juures
  • Koormusskeem katsetamisel Koormusskeem katsetamisel
  • Koormuskõver koos kaablirenni/kaabliredeli laiusega (mm) Koormuskõver koos kaablirenni/kaabliredeli laiusega (mm)
  • Tala läbipaindekõver sõltuvalt tugede vahekaugusest Tala läbipaindekõver sõltuvalt tugede vahekaugusest
Kõik tüübid

Kõik tüübid

Tüüp Pikkus Laius Tala paksus Toimetagamine Materjal Pinnakate Artikli nr. Kogus kl. VKE
LG 112 VS 6 FS 6000 mm 200 mm 1,5 mm ei Teras kuumtsingitud lintmeetodil 6216442
6 m
LG 113 VS 6 FS 6000 mm 300 mm 1,5 mm ei Teras kuumtsingitud lintmeetodil 6216445
6 m
LG 114 VS 6 FS 6000 mm 400 mm 1,5 mm ei Teras kuumtsingitud lintmeetodil 6216448
6 m
LG 115 VS 6 FS 6000 mm 500 mm 1,5 mm ei Teras kuumtsingitud lintmeetodil 6216451
6 m
LG 116 VS 6 FS 6000 mm 600 mm 1,5 mm ei Teras kuumtsingitud lintmeetodil 6216454
6 m
Tarvik

Süsteemi tarvikud

Rohkem Tüüp Artikli nr. Kogus kl. VKE
Kaas pöördriiviga FS Kaas pöördriiviga FS DRL 600 FS 6052606
3 m
Jätk FS Jätk FS LVG 110 FS 6216545
10 Tükki
Nurkühendus 110 FS Nurkühendus 110 FS LWVG 110 FS 6216587
10 Tükki
Liigendühendus FS Liigendühendus FS LGVG 110 FS 6216650
10 Tükki
Multifunktsionaalne ühenduselement FS Multifunktsionaalne ühenduselement FS LMFV 1160 FS 6225758
1 Tükki
90°-poogen 110 FS 90°-poogen 110 FS LB 90 1160 R3 FS 6225130
1 Tükki
T-hargmik 110 FS T-hargmik 110 FS LT 1160 R3 FS 6225298
1 Tükki
Hargnemisühendus 110 FS Hargnemisühendus 110 FS LAA 1160 R3 FS 6225918
1 Tükki
Liigendpoogna element 110 FS Liigendpoogna element 110 FS LGBE 1160 FS 6225498
1 Tükki
Kaitsekate Kaitsekate SKH 110 OR 6222553
20 Paar
Ühendusdetail FS Ühendusdetail FS LAS 110 FS 6221416
10 Tükki
Eraldusriiul 85 FS Eraldusriiul 85 FS TSG 85 FS 6062114
3 m
Nurgaplekk FS Nurgaplekk FS LEB 25 FS 6221203
1 Tükki
Nurgaplekk FS Nurgaplekk FS LEB 50 FS 6221246
1 Tükki
Allalaadimised

Laadi alla

Laadi alla
Keskkonnatootedeklaratsioon (EPD) LG 116 VS 6 FS / 6216454 , 1.48MB , pdf
Laadi alla

LG 116 VS 6 FS / 6216454
Laadi alla