Kaabliredel LG 110, 6 m VS FT

Artikli nr. 6216474 | EAN 4012195065401

6000 mm
1,5 mm
ei
Teras
Kuumtsingitud kastmismeetodil
Toote kirjeldus
Toote kirjeldus
Perforeeritud küljetalaga kaabliredel küljekõrgusega 110 mm koos sisseneeditud, ülevalt lahtiste C-profiili pulkadega.
Magnetiline varjestussummutus ilma kaaneta 10 dB, kaanega 15 dB.

Kaabliredel tarnitakse kokkulapituna.

Sobiva 2056 tüüpi U-klambri leiate vertikaalredelisüsteemide jaotisest.

  • Magnetiline varjestussummutus
  • Communautés Européennes, EÜ vastavusdeklaratsioon vastavalt EÜ direktiividele
  • UKCA vastavusdeklaratsioon
  • Kaabliredel, küljekõrgus 110 mm
  • Toote keskkonnadeklaratsioon (EPD)
  • CO₂ jalajälg (PCF)
Tehnilised andmed

CO2 jalajälg (Product Carbon Footprint)

CO2 jalajälg (GWP) hällist väravani 10,4488 kg CO2e / 1 Meeter
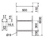
Haruprao suurus 16,50
Kasulik ristlõige 47500 mm²
Kasulik ristlõige 475 cm²
Kõrgus 110 mm
Külgprofiili teostus lame profiil
Külje perforatsioon jah
Laius 500 mm
Materjal Teras
Mõõde 110x500x6000
Mõõt B 500 mm
Mõõtmed 110x500x6000
Pika sildega teostus ei
Pikkus 6000 mm
Pinnakate Kuumtsingitud kastmismeetodil
Pulga kinnitus pimeneeditud
Pulkade teostus Perforeeritud profiil
Pulkade vahekaugus 300 mm
Roostevaba teras, peitsitud ei
Tala paksus 1,5 mm
Toimetagamine ei
Tugedevaheline kaugus 2,0 m 3,1 kN/m
Tugedevaheline kaugus 2,5 m 2 kN/m
Tugedevaheline kaugus 3,0 m 1,4 kN/m
Tugedevaheline kaugus 3,5 m 0,9 kN/m
Tugedevaheline kaugus 4,0m 0,65 kN/m
Tugedevaheline kaugus 4,5 m 0,55 kN/m
Tugedevaheline kaugus 5,0 m 0,5 kN/m
Tugedevaheline kaugus 6,0 m 0,15 kN/m
Värv tsink

Tehnilised andmed

Kaabliredeli (tüüp LG 110 VS) koormusdiagramm

Kaabliredeli (tüüp LG 110 VS) koormusdiagramm
  • Lubatav kaablirenni/-redeli koormus (kN/m) ilma inimkoormuseta Lubatav kaablirenni/-redeli koormus (kN/m) ilma inimkoormuseta
  • Tugilaius m Tugilaius m
  • Tala läbipaine mm lubatava kN/m juures Tala läbipaine mm lubatava kN/m juures
  • Koormusskeem katsetamisel Koormusskeem katsetamisel
  • Koormuskõver koos kaablirenni/kaabliredeli laiusega (mm) Koormuskõver koos kaablirenni/kaabliredeli laiusega (mm)
  • Tala läbipaindekõver sõltuvalt tugede vahekaugusest Tala läbipaindekõver sõltuvalt tugede vahekaugusest
Kõik tüübid

Kõik tüübid

Tüüp Pikkus Laius Tala paksus Toimetagamine Materjal Pinnakate Artikli nr. Kogus kl. VKE
LG 112 VS 6 FT 6000 mm 200 mm 1,5 mm ei Teras Kuumtsingitud kastmismeetodil 6216465
6 m
LG 113 VS 6 FT 6000 mm 300 mm 1,5 mm ei Teras Kuumtsingitud kastmismeetodil 6216468
6 m
LG 114 VS 6 FT 6000 mm 400 mm 1,5 mm ei Teras Kuumtsingitud kastmismeetodil 6216471
6 m
LG 115 VS 6 FT 6000 mm 500 mm 1,5 mm ei Teras Kuumtsingitud kastmismeetodil 6216474
6 m
LG 116 VS 6 FT 6000 mm 600 mm 1,5 mm ei Teras Kuumtsingitud kastmismeetodil 6216477
6 m
Tarvik

Süsteemi tarvikud

Rohkem Tüüp Artikli nr. Kogus kl. VKE
Kaas pöördriiviga FT Kaas pöördriiviga FT DRL 500 FT 6051448
3 m
Jätk FT Jätk FT LVG 110 FT 6216548
10 Tükki
Liigendjätk FT Liigendjätk FT LGVG 110 FT 6216653
10 Tükki
Kompensatsioonijätk 110 FT Kompensatsioonijätk 110 FT LDVG 110 FT 6216670
2 Tükki
Multifunktsionaalne ühenduselement FT Multifunktsionaalne ühenduselement FT LMFV 1150 FT 6225778
1 Tükki
90°-poogen 110 FT 90°-poogen 110 FT LB 90 1150 R3 FT 6225150
1 Tükki
T-hargmik 110 FT T-hargmik 110 FT LT 1150 R3 FT 6225318
1 Tükki
Hargnemisühendus 110 FT Hargnemisühendus 110 FT LAA 1150 R3 FT 6225938
1 Tükki
Liigendpoogna element 110 FT Liigendpoogna element 110 FT LGBE 1150 FT 6225518
1 Tükki
Kaitsekate Kaitsekate SKH 110 OR 6222553
20 Paar
Ühendusdetail FT Ühendusdetail FT LAS 110 FT 6221424
10 Tükki
Eraldusriiul 85 DD Eraldusriiul 85 DD TSG 85 DD 6062331
3 m
Nurgaplekk DD Nurgaplekk DD LEB 25 DD 6221216
1 Tükki
Nurgaplekk DD Nurgaplekk DD LEB 50 DD 6221259
1 Tükki
Põhjaplekk DD Põhjaplekk DD ELB-L 50 DD 6103364
3 m
Allalaadimised

Laadi alla

Laadi alla
Keskkonnatootedeklaratsioon (EPD) LG 115 VS 6 FT / 6216474 , 1.48MB , pdf
Laadi alla

Laadi alla
Laadi alla

LG 115 VS 6 FT / 6216474
Laadi alla